泰州市恒達換熱設備制造有限公司
聯系人:張經理
手機:18082069116
E-mail:sqqtyhd@163.com
地址:江蘇姜堰市婁莊鎮先進工業園區
LQG系列船用冷卻器
發布時間:2020-01-02 00:12:44 人氣:500 來源:本站

LQG系列滑油、淡水冷卻主要用于船用柴油機油滑或船用循環淡水的冷卻,結構為殼體膨脹臥式,管板采用不著HSN62-1或復合板,換熱管采用HAL77-2或B10等耐海水腐蝕材料。
一、型號說明
LQG(表示船用) X(冷卻面積) — X(公稱直徑) X(流程數)
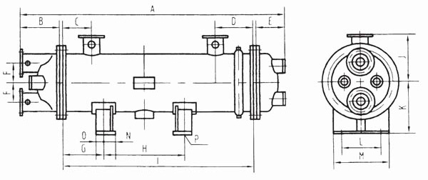
二、尺寸示意圖
三、尺寸表
(二次流)
| 型號 | 冷卻面積 | 接管通徑 | A | B | C | D | E | F | G | H | I | J | K | L | M | N | O | P | |
| 管側 | 殼側 | ||||||||||||||||||
| LQG1-200/2 | 1 | 40 | 32 | 1106 | 110 | 100 | 160 | 121 | 80 | 150 | 500 | 850 | 150 | 150 | 100 | 150 | 60 | 30 | 4-M16 |
| LQG2-200/2 | 2 | 50 | 40 | 1106 | 110 | 100 | 160 | 121 | 75 | 150 | 500 | 850 | 150 | 150 | 100 | 150 | 60 | 30 | 4-M16 |
| LQG3-200/2 | 3 | 50 | 40 | 1406 | 110 | 100 | 160 | 121 | 75 | 150 | 800 | 1150 | 150 | 150 | 100 | 150 | 60 | 30 | 4-M16 |
| LQG5-350/2 | 5 | 65 | 50 | 1521 | 120 | 110 | 170 | 131 | 92.5 | 150 | 850 | 1245 | 175 | 180 | 150 | 200 | 60 | 30 | 4-M16 |
| LQG8-350/2 | 8 | 65 | 50 | 1187 | 140 | 130 | 200 | 136 | 142.5 | 150 | 500 | 875 | 250 | 260 | 230 | 280 | 60 | 30 | 4-M16 |
| LQG10-350/2 | 10 | 80 | 65 | 1406 | 140 | 130 | 200 | 136 | 135 | 150 | 650 | 1094 | 250 | 260 | 230 | 300 | 60 | 30 | 4-M16 |
| LQG15-400/2 | 15 | 100 | 80 | 1553 | 210 | 140 | 220 | 167 | 150 | 200 | 750 | 1140 | 250 | 290 | 250 | 300 | 60 | 30 | 4-M20 |
| LQG20-400/2 | 20 | 125 | 100 | 1933 | 210 | 140 | 220 | 167 | 137.5 | 200 | 1000 | 1520 | 280 | 290 | 250 | 300 | 60 | 30 | 4-M20 |
| LQG25-400/2 | 25 | 125 | 100 | 2333 | 210 | 140 | 220 | 167 | 137.5 | 200 | 1200 | 1900 | 280 | 290 | 250 | 300 | 60 | 30 | 4-M20 |
| LQG30-400/2 | 30 | 125 | 100 | 2693 | 210 | 140 | 220 | 167 | 137.5 | 200 | 1600 | 2280 | 280 | 290 | 250 | 300 | 60 | 30 | 4-M20 |
| LQG35-450/2 | 35 | 125 | 100 | 2539 | 250 | 140 | 240 | 192 | 137.5 | 200 | 1400 | 2061 | 280 | 290 | 250 | 300 | 60 | 30 | 4-M20 |
| LQG40-550/2 | 40 | 125 | 100 | 2124 | 280 | 185 | 270 | 227 | 212.5 | 200 | 1050 | 1579 | 410 | 420 | 380 | 480 | 60 | 40 | 4-M20 |
| LQG45-500/2 | 45 | 125 | 100 | 2605 | 260 | 170 | 250 | 197 | 187.5 | 250 | 1150 | 2112 | 340 | 350 | 320 | 420 | 75 | 45 | 4-M22 |
| LQG50-650/2 | 50 | 150 | 150 | 1945 | 300 | 235 | 360 | 249 | 250 | 250 | 800 | 1352 | 470 | 480 | 420 | 560 | 75 | 45 | 4-M22 |
| LQG60-650/2 | 60 | 150 | 150 | 2215 | 300 | 235 | 360 | 249 | 250 | 250 | 1100 | 1622 | 470 | 480 | 420 | 560 | 75 | 45 | 4-M24 |
| LQG70-700/2 | 70 | 200 | 200 | 2280 | 300 | 235 | 360 | 280 | 250 | 250 | 950 | 1620 | 500 | 510 | 480 | 600 | 75 | 45 | 4-M24 |
| LQG80-600/2 | 80 | 150 | 125 | 3160 | 300 | 210 | 335 | 242 | 225 | 300 | 1800 | 2576 | 440 | 400 | 400 | 520 | 60 | 40 | 4-M22 |
| LQG90-700/2 | 90 | 200 | 200 | 2743 | 300 | 235 | 360 | 280 | 250 | 250 | 1400 | 2083 | 500 | 510 | 480 | 600 | 75 | 45 | 4-M24 |
| LQG100-700/2 | 100 | 200 | 200 | 2975 | 300 | 235 | 360 | 280 | 250 | 200 | 1600 | 2315 | 500 | 510 | 480 | 600 | 75 | 45 | 4-M24 |
| LQG110-700/2 | 110 | 200 | 200 | 3205 | 300 | 235 | 385 | 280 | 200 | 300 | 1650 | 2545 | 500 | 510 | 480 | 600 | 75 | 45 | 4-M24 |
| LQG120-700/2 | 120 | 200 | 200 | 3123 | 360 | 240 | 360 | 300 | 300 | 300 | 1600 | 2413 | 440 | 540 | 520 | 640 | 75 | 45 | 4-M24 |
| LQG130-700/2 | 130 | 200 | 200 | 3670 | 300 | 235 | 360 | 280 | 300 | 400 | 2100 | 3010 | 500 | 510 | 480 | 600 | 75 | 45 | 4-M24 |
| LQG140-700/2 | 140 | 200 | 200 | 3900 | 300 | 235 | 360 | 280 | 250 | 400 | 2250 | 3240 | 500 | 510 | 480 | 600 | 75 | 45 | 4-M24 |
| LQG150-700/2 | 150 | 200 | 250 | 4130 | 300 | 235 | 360 | 280 | 225 | 400 | 2500 | 3470 | 500 | 510 | 480 | 600 | 75 | 45 | 4-M24 |
| LQG160-750/2 | 160 | 200 | 200 | 3930 | 330 | 240 | 385 | 300 | 275 | 400 | 2300 | 3220 | 530 | 540 | 520 | 640 | 75 | 45 | 4-M24 |
| LQG180-750/2 | 180 | 250 | 200 | 4330 | 330 | 240 | 385 | 300 | 250 | 400 | 2600 | 3620 | 530 | 540 | 520 | 640 | 75 | 45 | 4-M24 |
| LQG200-750/2 | 200 | 250 | 250 | 4730 | 330 | 240 | 385 | 300 | 250 | 400 | 3000 | 4020 | 530 | 540 | 520 | 640 | 75 | 45 | 4-M24 |
| LQG220-800/2 | 220 | 250 | 250 | 4569 | 360 | 265 | 410 | 300 | 275 | 500 | 2600 | 3855 | 560 | 570 | 580 | 700 | 85 | 55 | 4-M24 |
| LQG240-800/2 | 240 | 300 | 300 | 4919 | 360 | 265 | 410 | 300 | 250 | 500 | 2950 | 4205 | 560 | 570 | 580 | 700 | 85 | 55 | 4-M24 |
相關產品
相關新聞
- 中小高爐選擇使用冷卻器需要注意的問題 2022-07-08
- 清洗冷卻器板通常方法有哪些 2022-07-08
- 為什么冷卻器會出現失效故障? 2022-07-06
- 如何解決無壓狀態下冷卻器泄漏的問題 2022-07-06
- 泰州列車空調加熱器|泰州列車空調加熱器廠家|泰州列車空調加熱器價格|列車空調加熱器 2021-04-02
- 泰州冷卻器|泰州冷卻器廠家|泰州冷卻器價格|冷卻器 2021-04-02
- 板式熱交換器調節冷卻水流量以降低溫度 2021-03-23
- 冷卻器出現供應溫度不能滿足要求 2020-03-23
- 簡述冷卻器設備在結構方面的特點 2020-03-23
- 冷卻器的工作原理和種類 2020-03-17


客服