泰州市恒達換熱設備制造有限公司
聯系人:張經理
手機:18082069116
E-mail:sqqtyhd@163.com
地址:江蘇姜堰市婁莊鎮先進工業園區
2LQG2W 型冷卻器
發布時間:2020-01-15 00:11:35 人氣:467 來源:本站

一、2LQG2W型冷卻器概述:
4LQF3W型冷卻器,四管程的列管冷卻器,結構形式浮頭式,工作壓力為3Mpa,連接形式為法蘭,裝配方式為臥式。本系列冷卻設備使用于冶金、礦山、機電、輕工、食品和其他工業部門。
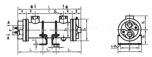
二、2LQG2W型冷卻器尺寸示意圖:

三、2LQG2W型冷卻器尺寸表:
| 型號 | 換熱 面積m2 | L | L1 | C | R | D1 | H1 | d1 | l1 | l2 | l3 | H2 | F | f | e1 | e2 | t | n-ф | D2 | p | d2 | A | B |
| 10/0.2 | 0.2 | 347 | 270 | 180 | 45 | 76 | 60 | ZG1′′ | 120 | 105 | 122 | 70 | 102 | 80 | 15 | 15 | 3 | 4-ф | 110 | 52 | ZG (3′′/4) | 40 | 37 |
| 10/0.4 | 0.4 | 527 | 450 | 360 | 285 | ||||||||||||||||||
| 10/0.5 | 0.5 | 757 | 680 | 590 | 515 | ||||||||||||||||||
| 10/1.0 | 1.0 | 444 | 340 | 240 | 50 | 114 | 85 | ZG1 (1′′/4) | 140 | 160 | 142 | 90 | 148 | 120 | 20 | 20 | 3 | 4-ф12 | 147 | 76 | ZG1′′ | 52 | 52 |
| 10/1.25 | 1.25 | 554 | 450 | 350 | 270 | ||||||||||||||||||
| 10/1.4 | 1.4 | 634 | 530 | 430 | 350 | ||||||||||||||||||
| 10/1.8 | 1.8 | 784 | 680 | 590 | 500 | ||||||||||||||||||
| 10/2.24 | 2.24 | 954 | 850 | 750 | 670 | ||||||||||||||||||
| 10/1.25 | 2.0 | 587 | 450 | 340 | 55 | 140 | 95 | ZG1 (1′′/2) | 175 | 250 | 162 | 145 | 180 | 140 | 24 | 16 | 5 | 4-ф15 | 194 | 100 | ZG1′′ | 72 | 85 |
| 10/1.4 | 3.0 | 817 | 680 | 570 | 480 | ||||||||||||||||||
| 10/1.8 | 3.75 | 987 | 850 | 740 | 650 | ||||||||||||||||||
| 10/2.24 | 4.25 | 1107 | 970 | 860 | 770 |
上一篇:4LQF3W 型冷卻器
下一篇:2LQGW 型冷卻器
相關產品
相關新聞
- 中小高爐選擇使用冷卻器需要注意的問題 2022-07-08
- 清洗冷卻器板通常方法有哪些 2022-07-08
- 為什么冷卻器會出現失效故障? 2022-07-06
- 如何解決無壓狀態下冷卻器泄漏的問題 2022-07-06
- 泰州列車空調加熱器|泰州列車空調加熱器廠家|泰州列車空調加熱器價格|列車空調加熱器 2021-04-02
- 泰州冷卻器|泰州冷卻器廠家|泰州冷卻器價格|冷卻器 2021-04-02
- 板式熱交換器調節冷卻水流量以降低溫度 2021-03-23
- 冷卻器出現供應溫度不能滿足要求 2020-03-23
- 簡述冷卻器設備在結構方面的特點 2020-03-23
- 冷卻器的工作原理和種類 2020-03-17


客服