泰州市恒達換熱設備制造有限公司
聯系人:張經理
手機:18082069116
E-mail:sqqtyhd@163.com
地址:江蘇姜堰市婁莊鎮先進工業園區
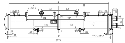
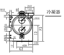
水冷式冷凝器(單)
發布時間:2020-01-15 00:15:24 人氣:923 來源:本站




水冷式冷凝器(單)技術參數:
| 型號 MODEL | 換熱量 | 外型尺寸 DIMENSION(mm) | 進出口直徑 CONNECTION | 重量 | |||||||||
| (Kw) | RT | A | B | C | D | E | F | G | H | I | J | Kg | |
| RC-19 | 19 | 5.4 | 168 | 590 | 740 | 90 | 200 | 125 | 5/8′′ | 1/4′′ | 3/4′′ | DN30 | 60.0 |
| RC-32 | 32 | 9.1 | 168 | 930 | 1080 | 90 | 200 | 125 | 5/8′′ | 1/4′′ | 3/4′′ | DN40 | 65.0 |
| RC-50 | 50 | 14.2 | 203 | 920 | 1080 | 90 | 235 | 125 | 7/8′′ | 1/4′′ | 3/4′′ | DN50 | 75.0 |
| RC-70 | 70 | 19.9 | 203 | 1230 | 1390 | 100 | 235 | 160 | 7/8′′ | 1/4′′ | 3/4′′ | DN50 | 100.0 |
| RC-90 | 90 | 25.6 | 203 | 1410 | 1570 | 100 | 235 | 160 | 7/8′′ | 1/4′′ | 3/4′′ | DN50 | 110.0 |
| RC-110 | 110 | 31.7 | 245 | 1160 | 1320 | 100 | 275 | 185 | 1-1/8′′ | 3/8′′ | 3/4′′ | DN65 | 140.0 |
| RC-125 | 125 | 35.5 | 245 | 1410 | 1570 | 100 | 275 | 185 | 1-3/8′′ | 3/8′′ | 3/4′′ | DN65 | 155.0 |
| RC-160 | 160 | 45.5 | 245 | 1740 | 1900 | 110 | 275 | 185 | 1-3/8′′ | 3/8′′ | 3/4′′ | DN65 | 190.0 |
| RC-190 | 190 | 50 | 245 | 2000 | 2160 | 110 | 275 | 200 | 1-3/8′′ | 3/8′′ | 3/4′′ | DN80 | 210.0 |
| RC-225 | 225 | 64 | 245 | 2360 | 2520 | 110 | 275 | 200 | 1-3/8′′ | 3/8′′ | 3/4′′ | DN80 | 240.0 |
| RC-250 | 250 | 71.1 | 282 | 1895 | 2070 | 110 | 315 | 220 | 1-3/8′′ | 1′′ | 1′′ | DN100 | 250.0 |
| RC-285 | 285 | 81 | 282 | 2120 | 2300 | 110 | 315 | 220 | 1-3/8′′ | 1′′ | 1′′ | DN100 | 260.0 |
| RC-315 | 315 | 89.6 | 282 | 2350 | 2530 | 120 | 315 | 240 | 1-5/8′′ | 1′′ | 1′′ | DN125 | 290.0 |
| RC-350 | 350 | 99.5 | 282 | 2625 | 2805 | 120 | 315 | 240 | 1-5/8′′ | 1′′ | 1′′ | DN125 | 318.0 |
| RC375 | 375 | 106.6 | 325 | 1930 | 2110 | 120 | 360 | 240 | 1-5/8′′ | 1-1/2′′ | 1′′ | DN125 | 320.0 |
| RC-440 | 440 | 125.1 | 325 | 2240 | 2420 | 120 | 360 | 260 | 1-5/8′′ | 1-1/2′′ | 1′′ | DN150 | 352.0 |
| RC-500 | 500 | 142.2 | 325 | 2550 | 2730 | 125 | 360 | 260 | 2′′ | 1-1/2′′ | 1′′ | DN150 | 385.0 |
| RC-565 | 565 | 160.6 | 325 | 2860 | 3040 | 125 | 360 | 300 | 2′′ | 1-1/2′′ | 1′′ | DN200 | 420.0 |
| RC-625 | 625 | 177.7 | 325 | 3170 | 3350 | 130 | 360 | 300 | 2-1/2′′ | 1-1/2′′ | 1′′ | DN200 | 550.0 |
| RC-690 | 690 | 196.2 | 325 | 3520 | 3700 | 130 | 360 | 340 | 2-1/2′′ | 1-1/2′′ | 1-1/2′′ | DN200 | 570.0 |
| RC-750 | 750 | 213.2 | 325 | 3845 | 4025 | 130 | 360 | 340 | 2-1/2′′ | 1-1/2′′ | 1-1/2′′ | DN250 | 600.0 |
相關產品
相關新聞
- 中小高爐選擇使用冷卻器需要注意的問題 2022-07-08
- 清洗冷卻器板通常方法有哪些 2022-07-08
- 為什么冷卻器會出現失效故障? 2022-07-06
- 如何解決無壓狀態下冷卻器泄漏的問題 2022-07-06
- 泰州列車空調加熱器|泰州列車空調加熱器廠家|泰州列車空調加熱器價格|列車空調加熱器 2021-04-02
- 泰州冷卻器|泰州冷卻器廠家|泰州冷卻器價格|冷卻器 2021-04-02
- 板式熱交換器調節冷卻水流量以降低溫度 2021-03-23
- 冷卻器出現供應溫度不能滿足要求 2020-03-23
- 簡述冷卻器設備在結構方面的特點 2020-03-23
- 冷卻器的工作原理和種類 2020-03-17


客服