泰州市恒達換熱設備制造有限公司
聯系人:張經理
手機:18082069116
E-mail:sqqtyhd@163.com
地址:江蘇姜堰市婁莊鎮先進工業園區
2LQF6W 型冷卻器
發布時間:2020-03-07 12:47:58 人氣:551 來源:本站

一、2LQF6W型冷卻器概述:
2LQF6W冷卻器結構形式為浮頭式,安裝形式采用臥式,工作壓力為1Mpa.本系列冷卻設備使用于冶金、礦山、機電、輕工、食品和其他工業部門。
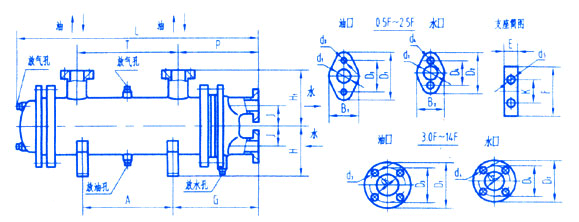
二、2LQF6W型冷卻器尺寸示意圖:

三、2LQF6W型冷卻器尺寸表:


上一篇:GLL型臥式冷卻器
下一篇:2LQFL 型冷卻器
相關產品
相關新聞
- 中小高爐選擇使用冷卻器需要注意的問題 2022-07-08
- 清洗冷卻器板通常方法有哪些 2022-07-08
- 為什么冷卻器會出現失效故障? 2022-07-06
- 如何解決無壓狀態下冷卻器泄漏的問題 2022-07-06
- 泰州列車空調加熱器|泰州列車空調加熱器廠家|泰州列車空調加熱器價格|列車空調加熱器 2021-04-02
- 泰州冷卻器|泰州冷卻器廠家|泰州冷卻器價格|冷卻器 2021-04-02
- 板式熱交換器調節冷卻水流量以降低溫度 2021-03-23
- 冷卻器出現供應溫度不能滿足要求 2020-03-23
- 簡述冷卻器設備在結構方面的特點 2020-03-23
- 冷卻器的工作原理和種類 2020-03-17


客服