泰州市恒達換熱設備制造有限公司
聯系人:張經理
手機:18082069116
E-mail:sqqtyhd@163.com
地址:江蘇姜堰市婁莊鎮先進工業園區
產品中心
2LQFW 型冷卻器
發布時間:2020-03-07 12:50:49 人氣:556 來源:本站

一、2LQFW型冷卻器概述:
2LQFW列管式冷卻器具有體積小、散熱面積大、使用壽命長、維護方便、工作可靠等優點。使用于冶金、礦山、機電、輕工、食品和其他工業部門。 2LQFW兩管列管式油冷卻器,結構形式采用浮頭式,安裝形式臥式。
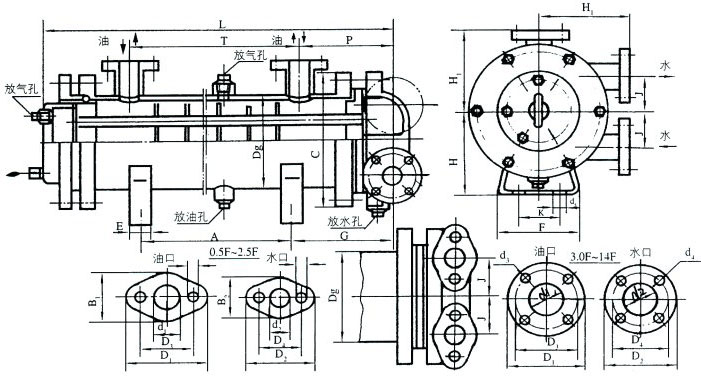
二、2LQFW型冷卻器尺寸示意圖:

三、2LQFW型冷卻器尺寸表:

上一篇:沒有了!
下一篇:2LQFW系列冷卻器
相關產品
相關新聞
- 中小高爐選擇使用冷卻器需要注意的問題 2022-07-08
- 清洗冷卻器板通常方法有哪些 2022-07-08
- 為什么冷卻器會出現失效故障? 2022-07-06
- 如何解決無壓狀態下冷卻器泄漏的問題 2022-07-06
- 泰州列車空調加熱器|泰州列車空調加熱器廠家|泰州列車空調加熱器價格|列車空調加熱器 2021-04-02
- 泰州冷卻器|泰州冷卻器廠家|泰州冷卻器價格|冷卻器 2021-04-02
- 板式熱交換器調節冷卻水流量以降低溫度 2021-03-23
- 冷卻器出現供應溫度不能滿足要求 2020-03-23
- 簡述冷卻器設備在結構方面的特點 2020-03-23
- 冷卻器的工作原理和種類 2020-03-17


客服